Cilindro neumático de doble efecto. Los cilindros neumáticos de doble efecto permiten un control total del movimiento del pistón. La figura 4 muestra cómo se mueven el pistón y el vástago cuando entra aire comprimido por los orificios del extremo de la tapa y del extremo del vástago. Posición positiva (A): La varilla se extiende desde.. Observación: utilice una válvula 5/2 con retorno por resorte. b) Diseñar el sistema de control que debe tener una pluma de una caseta de vigilancia, la cual posee un cilindro de doble efecto, el mando se implementa con dos pulsadores, PB1.- Sube (avance del cilindro) PB2.-

EnV03 ElectroVálvula 5/2 retorno por muelle en cilindro doble efecto YouTube

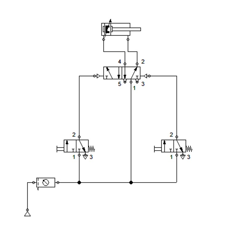
Cilindro neumático doble efecto entrada de aire por el vástago.

CILINDRO DE DOBLE EFECTO HIDRAULICO 3D model CGTrader

Activación de cilindros de simple y doble efecto con válvulas 3/2 y 5/2 YouTube

Cilindro Neumatico Doble Efecto 32 X 50 Pneumax Bs. 550.000,00 en Mercado Libre

Practica 2 CIRCUITO 2 MANDOS Y UN CILINDRO DOBLE EFECTO

Cilindro compacto neumático Festo, ADN3230APPSA, Doble Acción Macho G 1/8 RS

Cilindro de Simple Efecto con Válvula Doble Piloto YouTube

Cilindro doble efecto ISO15552S3 400850 CN METALWORK Ferretería Campollano

cilindro SMC gipuzkoa Fluidal

Cilindro hidraulico de simple efecto 6302 carrera 200mm CICROSA Ferretería Campollano

cilindro doble efecto con regulacion y final de carrera YouTube
.jpg)
CILINDRO NEUMATICO DOBLE EFECTO Imagen Boletin Industrial

Cilindro Neumatico Iso Doble Efecto Ø80mm Carrera 650mm Smc Mercado Libre

China Cilindro neumático de doble efecto Fabricantes, proveedores, fábrica Venta al por mayor
CILINDRO DE DOBLE EFECTO NUMÁTICO 3D Warehouse

Accionamiento indirecto de un cilindro de simple efecto mediante una válvula de 3/2 vías YouTube

cilindroserie3

CILINDRO HIDRÁULICO 5 SECCIONES PARKER COMMERCIAL HIDRÁULICOS DE CÓRDOBA

Cilindro doble efecto DSNU1680PPVA FESTO Ferretería Campollano
Por otro lado, los cilindros de doble efecto son aquellos que realizan su trabajo en ambos sentidos ya que la presión de aire se aplica por ambos lados del émbolo. Las series básicas de los cilindros neumáticos son las siguientes: Cuerpo circular: CJP, CJP2, CJ1, CJ2, CM2, CG1, CA2, MB/MB1, CS1, CS2, C85, C96/C95;. consecutivamente las posiciones "1", "2", "3" y "4". En la posición inicial, al pulsar en el pulsador de marcha se taladra el primer agujero. A continuación el cilindro de doble efecto "A" retrocede y se produce el segundo proceso de taladrado. Retrocede después el cilindro "B" se realiza el tercer taladrado.